_______________________
DDS DE PY1ACB.
_______________________
Noise_Kill
_______________________
Lâmpada de LED, interfere no rádio, somente no momento de transmissão.
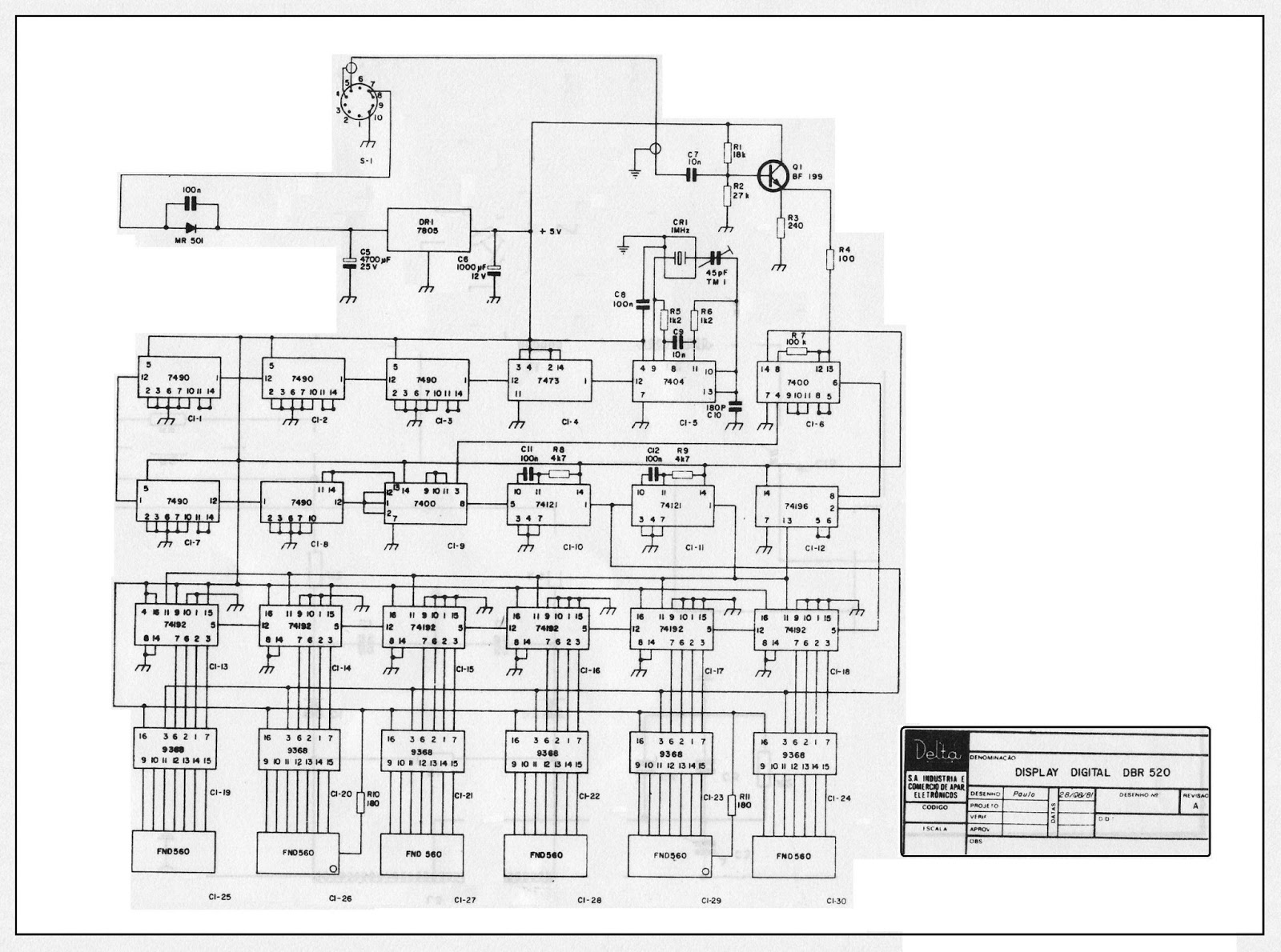
Frequencímetro para o Delta DBR-550
Mostra frequência modalidade e banda de operação. Offsets apropriado a cada modalidade, USB LSB e AM de acordo com a modalidade escolhida. Através da leitura de frequência, identifica a banda automaticamente. Código asm para consulta e modificações caso necessite, código Hex para gravação do Pic, esquemas de ligações no rádio e do frequencímetro. Também foto para construção da plaquinha. Tudo no formado zip no link abaixo.
(( ARQUIVOS ))
________________________
TRAVADOR DE VFO
Para quem desejar instalar um travador de VFO no DBR 550 ou similar, abaixo um link com todos os arquivos necessários e informações de como instalar.
(( TRAVADOR DE VFO ))
___________________________
Frequencímetro inteligente para o rádio Cobra-148.
Com PIC16F648A.
MOSTRANDO O CANAL -15 AM.
MOSTRANDO O CANAL 7TC.
MOSTRANDO O CANAL 172 USB.
Simulação no Proteus, realizada pelo amigo PR7HE, Euzelio Henrique.
__________
Frequencímetro com PIC16F648A, especial para o rádio Cobra-148-GTL, que apenas pela leitura da frequência e através de um algoritmo apropriado, mostra o canal de operação. Todos os negativos, todos os positivos e os de telecomado. Ainda mostra a modalidade de operação, se lsb am ou usb. O arquivo Hex para gravar o PIC, esquema elétrico do frequencímetro, esquema de ligações ao rádio e mais algumas fotos para consulta além do desenho da plaquinha, feito em uma plaquinha padrão. Tudo no link abaixo.
( SOURCE CODE )
_______
_______
Experiência com duas válvulas 813.
Esquema completo ( aqui ).
_________
Termômetro / Termostato digital.

Leitura e controle de temperatura, utilizando o recurso delta sigma para conversão analógico digital no pic16f628a. Código fonte em asm, hex e esquema no link.
_____
HMFL-0... Estabilizador de VFO.
Estabilizador de VFO com PIC16F628A.
Arquivo zip com código fonte, esquema e exemplo de como utilizar no link
_____
Código fonte e esquema do Beacon. ( Source Code )
_____
Código fonte do Beacon com PIC16F628. ( Source Code )
_____
Oscilador para manipulador iâmbico com F84.
Código fonte do oscilador iâmbico. ( Source Code )
_____
LC-METER
Simples indutímetro e capacímetro com PIC16F628
Medindo um indutor comercial de 1uH.
Projeto original de: ( VK3BHR )
______
HMF1 V4.


Um frequencímetro digital, com leitura real da frequência de entrada ou com três offsets: 455 KHz, 1600 KHz ou 10.7 MHz somados ou subtraídos da frequência de entrada, selecionáveis através de três jampers. Código fonte ASM para entender e mudar a vontade, HEX para gravar o pic, e o esquema elétrico. Tudo no link.




























